Wednesday, October 29, 2025     
     Serving the Electronic Industries for Over 33 Years
Sky Relay and Socket logo
Eveready Batteries logo
E-Lab Semiconductors logo
MPD battery-holders logo
     Electronic Components Distributor Logo                        
 Home
  |  View Account   |    Engineer's Corner    |  Contact Us  |  Cross Reference  |  Line Card  |  0 Item
Part Search
NTE Cross Ref. Search
Login
SRI Live Chat Help
call us email us contact us
 
Recently Viewed
  03-06-1361

Product Links

Inside SRI

About SRI
Contact Us
Careers
Link to Us!
Feedback

SRI-Newsletter
Subscribe to our newsletter to receive monthly specials, manufacturer's feature, and electronics news via email.

See Our latest release of SRI-Newsletter here

View Our List of Archived Newsletter Articles


SRI Links

Visit our Sister Site,

Distributor of

Industrial Products

  Web Search ..
  Powered by;

 101 Series DIP Sockets
Machined Contact Open Frame Dip Socket
 Features
  • The open frame version is the most common type
  • The open body design gives better access (for cleaning and inspections) to the PC-Board and better air cooling
  • Side and end stackable
  • High retention design prevents IC walkout during heavy vibrations
  • Pin design absolutely prevents 100% of the solder wicking and flux entrapment
  • Twist free construction
  • Low profile design
  • Specifications

    Material
    Insulator . . . . . . Thermoplastic Polyester Rated 94V-0
    Outer Sleeve . . . . . . Machined Brass/Formed Copper, Tin/Lead, or Gold plated
    Contact . . . . . . Machined Beryllium-Copper, 30 m" Gold over Nickel or Tin/Lead plate (see plating options below)

    Electrical
    Current rating . . . . . . 1amp continuous @ 100 VDC per contact
    Contact resistance . . . . . . 10 milliohms @ 200 milliamp
    Insulation resistance . . . . . . 5000 megohm @ 500 VDC

    Mechanical
    Average insertion force with steel pin of 0.43mm / .017" . . . . . . 6.4 oz
    Average withdrawal force with steel pin of 0.43 mm / .017" . . . . . . 2.5 oz
    Mechanical life . . . . . . min. 200 cycles
    Operating temp . . . . . . Gold plated: -55deg C to +125deg C
    Tin plated: -40deg C to +105deg C


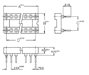
    Pins
    A
    B
    C
    D
    Pins
    A
    B
    C
    D
    6
    7.60/.299"
    10.14/.399"
    7.62/.300"
    5.08/.200"
    28
    35.54/1.399"
    12.68/.499"
    10.16/.400"
    33.02/1.300"
    8
    10.14/.399"
    10.14/.399"
    7.62/.300"
    7.62/.300"
    28
    35.54/1.399"
    17.76/.699"
    15.24/.600"
    33.02/1.300"
    10
    12.68/.499"
    10.14/.399"
    7.62/.300"
    10.16/.400"
    32
    40.62/1.599"
    12.68/.499"
    10.16/.400"
    38.10/1.500"
    14
    17.76/.699"
    10.14/.399"
    7.62/.300"
    15.24/.300"
    32
    40.62/1.599"
    17.76/.699"
    15.24/.600"
    38.10/1.500"
    16
    20.30/.799"
    10.14/.399"
    7.62/.300"
    17.78/.700"
    36
    45.70/1.799"
    17.76/.699"
    15.24/.600"
    43.18/1.700"
    18
    22.84/.899"
    10.14/.399"
    7.62/.300"
    20.32/.800"
    40
    50.78/1.999"
    17.76/.699"
    15.24/.600"
    48.26/1.900"
    20
    25.38/.999"
    10.14/.399"
    7.62/.300"
    22.86/.900"
    42
    53.32/2.099"
    17.76/.699"
    15.24/.600"
    50.80/2.000"
    20
    25.38/.999"
    12.68/.499"
    10.16/.400"
    22.86/.900"
    48
    60.94/2.399"
    17.76/.699"
    15.24/.600"
    58.42/2.300"
    22
    27.92/1.099"
    10.14/.399"
    7.62/.300"
    25.40/1.000"
    50
    17.76/.699"
    63.48/2.499"
    15.24/.600"
    60.96/2.400"
    22
    27.92/1.099"
    12.68/.499"
    10.16/.400"
    25.40/1.000"
    50
    63.48/2.499"
    25.38/.999"
    22.86/.900"
    60.96/2.400"
    24
    30.46/1.199"
    10.14/.399"
    7.62/.300"
    27.94/1.100"
    52
    66.02/2.599"
    17.76/.699"
    15.24/.600"
    63.50/2.500"
    24
    30.46/1.199"
    12.68/.499"
    10.16/.400"
    27.94/1.100"
    52
    66.02/2.599"
    25.38/.999"
    22.86/.900"
    63.50/2.500"
    24
    30.46/1.199"
    17.76/.699"
    15.24/.600"
    27.94/1.100"
    64
    81.26/3.199"
    25.38/.999"
    22.86/.900"
    78.74/3.100"
    28
    35.54/1.399"
    10.14/.399"
    7.62/.300"
    33.02/1.300"


    Part Builder and Ordering Information
    101

    101 08 -   3 GT
         
    Series Number of
    Positions
        Dip
    Spacing
      Plating
    101 06
    08
    10
    14
    16
    18
    20
    22
    24
    28
    32
    36
    40
    42
    48
    50
    52
    60
        3 = 7.62/.300"
    4 = 10.16/.400"
    6 = 15.24/.600"
    9 = 22.86/.900"
          GT = 30µ" Gold contact,
              200µ" Tin outer sleeve
    GG = 30µ" Gold contact,
              10µ" Gold outer sleeve
    TT = 200µ" Tin contact,
              200µ" Tin outer sleeve
    ST = 10µ" Gold contact,
              200µ" Tin outer sleeve


    **Specifications subject to changes**
    [
    Go to Search] [Back]


    Page Links

    Part Numbering System


    Back