| |
Recently Viewed
|
|
 Product Links 
|
|

Inside SRI

|
| SRI-Newsletter |
 |
Subscribe to our newsletter to receive monthly specials, manufacturer's feature, and electronics news via email. |
|
|
|
See Our latest release of SRI-Newsletter here
|
|
View Our List of Archived Newsletter Articles
|
|

SRI Links

|
|
Visit our Sister Site,
 Distributor of Industrial Products
| |
|
Web Search .. Powered by;
|
|
 |
 |
|
IDC Edge Card Connector 2.54mm/.100"
|
|
|
Features
Designed to terminate with 28 AWG stranded flat cable
Typical applications include flat cable bussing and I/O interface
Hi-retention dual beam contact for reliable PCB connections
Accepts PCB thickness of 1.4 to 1.6mm
Insulation displacement termination for 1.27mm/.050" flat cable
|

Specifications
| Material
|
|
| Contact . . . . . . |
Phosphur Bronze |
| Plating . . . . . . |
Gold over Nickel on contact, Tin on terminal |
| Insulator . . . . . . |
PBT & 30% Glass Fiber Rated 94V-0 |
Electrical |
|
| Current rating . . . . . . |
1amp |
| Contact resistance. . . . . . . |
30 milliohms max @ DC 100 milliamps |
| Insulation resistance . . . . . . |
1000 megohm min @ 500 VDC |
Mechanical |
|
| Operating temp . . . . . . |
-55deg C to +105deg C |
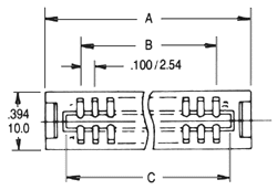
| Contacts |
A |
B |
C |
| 10 |
24.40/.961" |
10.16/.400" |
15.42/.607" |
| 14 |
29.97/1.180" |
15.24/.600" |
20.50/.807" |
| 16 |
32.00/1.260" |
17.78/.700" |
23.04/.907" |
| 20 |
37.08/1.460" |
22.86/.900" |
27.94/1.100" |
| 26 |
44.70/1.760" |
30.48/1.200" |
35.56/1.400" |
| 34 |
54.86/2.160" |
40.64/1.600" |
45.72/1.800" |
| 40 |
62.48/2.460" |
48.26/1.900" |
53.34/2.100" |
| 50 |
75.18/2.960" |
60.96/2.400" |
66.29/2.610" |
| 60 |
87.88/3.460" |
73.66/2.900" |
79.00/3.110" |
| 64 |
92.96/3.660" |
78.74/3.100" |
84.07/3.310" |
Part Builder and Ordering Information
|
| 204 |
|
|
|
|
|
- 10 |
 |
|
|
|
|
|
 |
| Series |
|
|
|
|
|
Number of Contacts |
| 204 |
|
|
|
|
|
10 14 16 20 26 34 40 50 60
64 |
|
**Specifications subject to changes**
[Go to Search] [Back]
|
|
|
|