Thursday, April 9, 2026     
     Serving the Electronic Industries for Over 33 Years
Russellstoll interconnect connectors plugs and receptacles logo
Frontline Switches products page
PRP Resistor Logo
Sycom Surge Suppression Devices& UPS
     Electronic Components Distributor Logo                        
 Home
  |  View Account   |    Engineer's Corner    |  Contact Us  |  Cross Reference  |  Line Card  |  0 Item
Part Search
NTE Cross Ref. Search
Login
SRI Live Chat Help
call us email us contact us

Product Links

Inside SRI

About SRI
Contact Us
Careers
Link to Us!
Feedback

SRI-Newsletter
Subscribe to our newsletter to receive monthly specials, manufacturer's feature, and electronics news via email.

See Our latest release of SRI-Newsletter here

View Our List of Archived Newsletter Articles


SRI Links

Visit our Sister Site,

Distributor of

Industrial Products

  Web Search ..
  Powered by;

 10 Watt Aluminum Housed Resistors

10 watt  Aluminum Housed Power Wirewound Resistor image
[ Pdf File ] [ Back to Main NTE Resistor Page ]
Electrical Characteristics
NTE Number Quantity Per Package
(Blister Packed)
Resistance Range
(Ohms)
Tolerance
(%)
Voltage
(Volts)
Operating Temperature
(Topr)
Temperature Coefficient
(PPM/°C)
10WMD05 to 10WMD50 1 0.05 to 0.5 1 265 -55° to +275°C 90
10WM1D0 to 10WM010 1 1.0 to 10 1 265 -55° to +275°C 50
10WM012 to 10WM340 1 12 to 40K 1 265 -55° to +275°C 20

Mechanical* (Typical, inches)
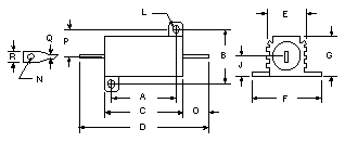
NTE Number A
(±.005)
B
(±.005)
C
(±.031)
D
(±.052)
E
(±.052)
F
(±.015)
G
(±.015)
J
(±.010)
L
(±.005)
N
(±.005)
O
(±.062)
P
(±.031)
Q
(AWG)
R
(±.032)
10WMD05 to 10WM340 .562 .625 .750 1.375 .430 .800 .400 .190 .093 .086 .312 .312 12 .140
* These dimensions are for reference only, please consult the factory for actual size.

Dimensional Drawing

Part Numbers

NTE  Numbers Description
10WMD05
Resistor 10 Watt Aluminum Housed Power Wirewound Chassis Mount .05 Ohm 1% Axial Solder Lug Leads
10WMD10
Resistor 10 Watt Aluminum Housed Power Wirewound Chassis Mount 0.1 Ohm 1% Axial Solder Lug Leads
10WMD20
Resistor 10 Watt Aluminum Housed Power Wirewound Chassis Mount 0.2 Ohm 1% Axial Solder Lug Leads
10WMD50
Resistor 10 Watt Aluminum Housed Power Wirewound Chassis Mount 0.5 Ohm 1% Axial Solder Lug Leads
10WM1D0
Resistor 10 Watt Aluminum Housed Power Wirewound Chassis Mount 1.0 Ohm 1% Axial Solder Lug Leads
10WM2D0
Resistor 10 Watt Aluminum Housed Power Wirewound Chassis Mount 2.0 Ohm 1% Axial Solder Lug Leads
10WM2D5
Resistor 10 Watt Aluminum Housed Power Wirewound Chassis Mount 2.5 Ohm 1% Axial Solder Lug Leads
10WM3D0
Resistor 10 Watt Aluminum Housed Power Wirewound Chassis Mount 3.0 Ohm 1% Axial Solder Lug Leads
10WM4D0
Resistor 10 Watt Aluminum Housed Power Wirewound Chassis Mount 4.0 Ohm 1% Axial Solder Lug Leads
10WM5D0
Resistor 10 Watt Aluminum Housed Power Wirewound Chassis Mount 5.0 Ohm 1% Axial Solder Lug Leads
10WM010
Resistor 10 Watt Aluminum Housed Power Wirewound Chassis Mount 10.0 Ohm 1% Axial Solder Lug Leads
10WM012
Resistor 10 Watt Aluminum Housed Power Wirewound Chassis Mount 12.0 Ohm 1% Axial Solder Lug Leads
10WM015
Resistor 10 Watt Aluminum Housed Power Wirewound Chassis Mount 15.0 Ohm 1% Axial Solder Lug Leads
10WM016
Resistor 10 Watt Aluminum Housed Power Wirewound Chassis Mount 16.0 Ohm 1% Axial Solder Lug Leads
10WM020
Resistor 10 Watt Aluminum Housed Power Wirewound Chassis Mount 20.0 Ohm 1% Axial Solder Lug Leads
10WM025
Resistor 10 Watt Aluminum Housed Power Wirewound Chassis Mount 25.0 Ohm 1% Axial Solder Lug Leads
10WM027
Resistor 10 Watt Aluminum Housed Power Wirewound Chassis Mount 27.0 Ohm 1% Axial Solder Lug Leads
10WM030
Resistor 10 Watt Aluminum Housed Power Wirewound Chassis Mount 30.0 Ohm 1% Axial Solder Lug Leads
10WM033
Resistor 10 Watt Aluminum Housed Power Wirewound Chassis Mount 33.0 Ohm 1% Axial Solder Lug Leads
10WM035
Resistor 10 Watt Aluminum Housed Power Wirewound Chassis Mount 35.0 Ohm 1% Axial Solder Lug Leads
10WM040
Resistor 10 Watt Aluminum Housed Power Wirewound Chassis Mount 40.0 Ohm 1% Axial Solder Lug Leads
10WM047
Resistor 10 Watt Aluminum Housed Power Wirewound Chassis Mount 47.0 Ohm 1% Axial Solder Lug Leads
10WM050
Resistor 10 Watt Aluminum Housed Power Wirewound Chassis Mount 50.0 Ohm 1% Axial Solder Lug Leads
10WM060
Resistor 10 Watt Aluminum Housed Power Wirewound Chassis Mount 60.0 Ohm 1% Axial Solder Lug Leads
10WM075
Resistor 10 Watt Aluminum Housed Power Wirewound Chassis Mount 75.0 Ohm 1% Axial Solder Lug Leads
10WM110
Resistor 10 Watt Aluminum Housed Power Wirewound Chassis Mount 100 Ohm 1% Axial Solder Lug Leads
10WM112
Resistor 10 Watt Aluminum Housed Power Wirewound Chassis Mount 120.0 Ohm 1% Axial Solder Lug Leads
10WM115
Resistor 10 Watt Aluminum Housed Power Wirewound Chassis Mount 150.0 Ohm 1% Axial Solder Lug Leads
10WM120
Resistor 10 Watt Aluminum Housed Power Wirewound Chassis Mount 200.0 Ohm 1% Axial Solder Lug Leads
10WM125
Resistor 10 Watt Aluminum Housed Power Wirewound Chassis Mount 250.0 Ohm 1% Axial Solder Lug Leads
10WM127
Resistor 10 Watt Aluminum Housed Power Wirewound Chassis Mount 270.0 Ohm 1% Axial Solder Lug Leads
10WM130
Resistor 10 Watt Aluminum Housed Power Wirewound Chassis Mount 330.0 Ohm 1% Axial Solder Lug Leads
10WM133
Resistor 10 Watt Aluminum Housed Power Wirewound Chassis Mount 330.0 Ohm 1% Axial Solder Lug Leads
10WM140
Resistor 10 Watt Aluminum Housed Power Wirewound Chassis Mount 400.0 Ohm 1% Axial Solder Lug Leads
10WM147
Resistor 10 Watt Aluminum Housed Power Wirewound Chassis Mount 470.0 Ohm 1% Axial Solder Lug Leads
10WM150
Resistor 10 Watt Aluminum Housed Power Wirewound Chassis Mount 500.0 Ohm 1% Axial Solder Lug Leads
10WM156
Resistor 10 Watt Aluminum Housed Power Wirewound Chassis Mount 560.0 Ohm 1% Axial Solder Lug Leads
10WM175
Resistor 10 Watt Aluminum Housed Power Wirewound Chassis Mount 750.0 Ohm 1% Axial Solder Lug Leads
10WM210
Resistor 10 Watt Aluminum Housed Power Wirewound Chassis Mount 1.0K Ohm 1% Axial Solder Lug Leads
10WM215
Resistor 10 Watt Aluminum Housed Power Wirewound Chassis Mount 1.5K Ohm 1% Axial Solder Lug Leads
10WM220
Resistor 10 Watt Aluminum Housed Power Wirewound Chassis Mount 2.0K Ohm 1% Axial Solder Lug Leads
10WM225
Resistor 10 Watt Aluminum Housed Power Wirewound Chassis Mount 2.5K Ohm 1% Axial Solder Lug Leads
10WM230
Resistor 10 Watt Aluminum Housed Power Wirewound Chassis Mount 3.0K Ohm 1% Axial Solder Lug Leads
10WM233
Resistor 10 Watt Aluminum Housed Power Wirewound Chassis Mount 3.3K Ohm 1% Axial Solder Lug Leads
10WM235
Resistor 10 Watt Aluminum Housed Power Wirewound Chassis Mount 3.5K Ohm 1% Axial Solder Lug Leads
10WM240
Resistor 10 Watt Aluminum Housed Power Wirewound Chassis Mount 4.0K Ohm 1% Axial Solder Lug Leads
10WM250
Resistor 10 Watt Aluminum Housed Power Wirewound Chassis Mount 5.0K Ohm 1% Axial Solder Lug Leads
10WM310
Resistor 10 Watt Aluminum Housed Power Wirewound Chassis Mount 10.0K Ohm 1% Axial Solder Lug Leads
10WM315
Resistor 10 Watt Aluminum Housed Power Wirewound Chassis Mount 15.0K Ohm 1% Axial Solder Lug Leads
10WM320
Resistor 10 Watt Aluminum Housed Power Wirewound Chassis Mount 20.0K Ohm 1% Axial Solder Lug Leads
10WM325
Resistor 10 Watt Aluminum Housed Power Wirewound Chassis Mount 25.0K Ohm 1% Axial Solder Lug Leads
10WM330
Resistor 10 Watt Aluminum Housed Power Wirewound Chassis Mount 30.0K Ohm 1% Axial Solder Lug Leads
10WM340
Resistor 10 Watt Aluminum Housed Power Wirewound Chassis Mount 40.0K Ohm 1% Axial Solder Lug Leads

Back to Top


**Specifications subject to changes**
[Go to Search] [Back]